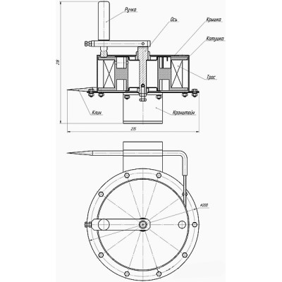
Барабан заземления БЗЗ-10.01
Барабан заземления БЗЗ-10.01
Барабан заземления БЗЗ-10.01 предназначен для обеспечения электрической связи между корпусом автоцистерны и «землей».
- Условное обозначение: ПИ.006.00.00.000
Основные технические данные:
- Длина троса, м: 10
- Диаметр троса, мм: 4,0
- Электрическое сопротивление, Ом, не более: 10
- Температура рабочей среды t, оС: от -40 до +80
- Материал клина: Латунь
- Длина клина, мм: 228
- Диаметр клина, мм: 16
- Габаритные размеры, мм: 218x235x250
- Масса, кг: 2.5
Интернет-магазин «АЗС-Оборудование» предлагает уникальную услугу по БЕСПЛАТНОЙ ДОСТАВКЕ оборудования по всей территории России*
Отправка до терминала транспортной компании в вашем городе осуществляется после оплаты заказа на следующий рабочий день, транспортной компанией на выбор получателя.
По поступлению заказа в ваш город вам нужно только приехать в офис транспортной компании и получить ваш заказ.
Варианты оплаты:
• Для расчета в магазине можно воспользоваться платежной банковской картой категории Visa (Master) или оплатить товар наличными, получив чек – кассовый и товарный.
• Оплата по безналичному перечислению физическими лицами: нами предоставляется счет для оплаты банковским переводом, для оформления документов на продукцию и ее доставку понадобятся паспортные данные.
• Юридическим лицам для безналичного перечисления оплаты за товар высылается счет, при этом оплачивается НДС в размере 20%.
• Безналичный расчет физическим лицом с использованием функции «мобильный банкинг» или посредством онлайн-оплаты.
Дополнительные сведения о транспортировке товара:
Погрузка продукции совершается после внесения 100% предоплаты.
По требованию заказчика стоимость транспортных услуг может быть включена в цену товара (счет).
Сроки доставки и плата за доставку зависит от выбранной транспортной компании, курьерской фирмы, региона, других нюансов.
*Бесплатная доставка по всей России при покупке топливораздаточных колонок.
